|
|
||||||||||||||||||
|
Model Code - top ![]() |
![]()
Performance Curves -
top
2520VQ Double Pump (Ring Size -12 & 17 GPM)
SAE 10W Fluid at 120°F.
Pump Inlet at 0" hg.

![]()
Performance Curves -
top
2520VQ Double Pump (Ring Size -14 & 21 GPM)
SAE 10W Fluid at 120°F.
Pump Inlet at 0" hg.

![]()
Performance Curves -
top
2520VQ Double Pump (Ring Size - 5, 8 & 11 GPM)
SAE 10W Fluid at 120°F.
Pump Inlet at 0" hg.

![]()
Performance Curves -
top
2520VQ Double Pump (Ring Size - 8, 11 & 14 GPM)
SAE 10W Fluid at 120°F.
Pump Inlet at 0" hg.

![]()
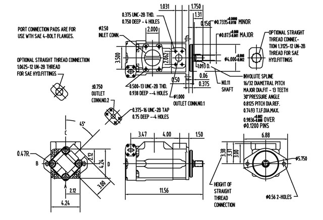
Dimensions -
top
2520VQ Double Pump
Dimensions in inches

Code 1 3/16 Straight Key Code 11 13T 16/32 Spline Code 86 HD Straight Key
