|
|
||||||||||||||||||
|
Model Code - top ![]() |
![]()
Performance Curves -
top
25V Single Pump (Ring Size -12 & 17 GPM)
SAE 10W Fluid at 120°F.
Pump Inlet at 0" hg.

![]()
Performance Curves -
top
25V Single Pump (Ring Size -14 & 21 GPM)
SAE 10W Fluid at 120°F.
Pump Inlet at 0" hg.

![]()
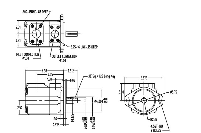
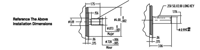
Dimensions -
top
25V Single Pump
Dimensions in inches

Code 1 3/16 Straight Key Code 11 13T 16/32 Spline Key Code 86 HD Straight Key
