Double Fixed Displacement

3525V






 

 

 

 

 
 
 
 
 
 
  Quick Links
Model Code
Performance Curves
Dimensions


 
 



Model Code -
top



 
 



Performance Curves - top

3525VQ Double Pump (Ring Size -25 & 35 GPM)

SAE 10W Fluid at 120°F.
Pump Inlet at 0" hg.


Performance Curves - top

3525VQ Double Pump (Ring Size -30 & 38 GPM)

SAE 10W Fluid at 120°F.
Pump Inlet at 0" hg.

 


Performance Curves - top

3525VQ Double Pump (Ring Size -12 & 17 GPM)

SAE 10W Fluid at 120°F.
Pump Inlet at 0" hg.

 


Performance Curves - top

3525VQ Double Pump (Ring Size -14 & 21 GPM)

SAE 10W Fluid at 120°F.
Pump Inlet at 0" hg.

 


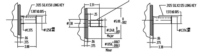
Dimensions - top

3525VQ Double Pump
Dimensions in inches

 

Code 1  3/16 Straight Key          Code 11  14T   12/24 Spline     Code 86   HD Straight Key