|
|
||||||||||||||||||
|
Model Code - top ![]() |
![]()
Performance Curves -
top
45VQ Single Pump (Ring Size -42 & 60 GPM)
SAE 10W Fluid at 120°F.
Pump Inlet at 0° hg.

![]()
Performance Curves -
top
45VQ Single Pump (Ring Size -42 & 60 GPM)
SAE 10W Fluid at 120°F.
Pump Inlet at 0° hg.

![]()
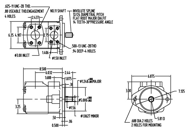
Dimensions -
top
45VQ Single Pump
Dimensions in inches

Code 1 3/16 Straight Key Code 11 14T 12/24 Spline Code 86 HD Straight Key
