| |

Model Code -
top
|


|
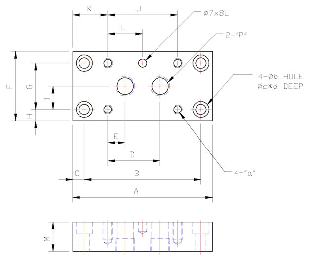
MODEL |
A |
B |
C |
D |
E |
F |
G |
H |
I |
J |
| TVM-03 |
120 (4.72) |
100 (3.94) |
10 (0.39) |
45 (1.77) |
15 (0.59) |
60 (2.36) |
40 (1.57) |
10 (0.39) |
20 (0.79) |
60 (2.36) |
| TVM-06 |
134 (5.28) |
110 (4.33) |
12 (0.47) |
54 (2.13) |
16 (0.63) |
82 (3.23) |
58 (2.28) |
12 (0.47) |
29 (1.14) |
70 (2.76) |
| TVM-10 |
160 (6.30) |
132 (5.20) |
14 (0.55) |
71 (2.80) |
21 (0.83) |
100 (3.94) |
72 (2.83) |
14 (0.55) |
36 (1.42) |
92 (3.62) |
|
|
|
|
|
|
|
|
|
|
|
| MODEL |
K |
L |
M |
P |
a |
b |
c |
d |
|
|
| TVM-03 |
30 (1.18) |
30 (1.18) |
25 (0.98) |
M10 (3/8") |
M8x15L (5/16"x0.6"L) |
9 (0.35) |
14 (0.55) |
10 (0.39) |
|
|
| TVM-06 |
32 (1.26) |
35 (1.38) |
32 (1.26) |
M19 (3/4") |
M10x20L (3/8"x0.8"L) |
11 (0.43) |
18 (0.71) |
12 (0.47) |
|
|
| TVM-10 |
34 (1.34) |
46 (1.81) |
50 (1.97) |
M32 (1-1/4)" |
M12x35L (1/2"x1.4"L) |
13 (0.51) |
20 (0.79) |
14 (0.55) |
|
|
|