 |
|
 |
| |
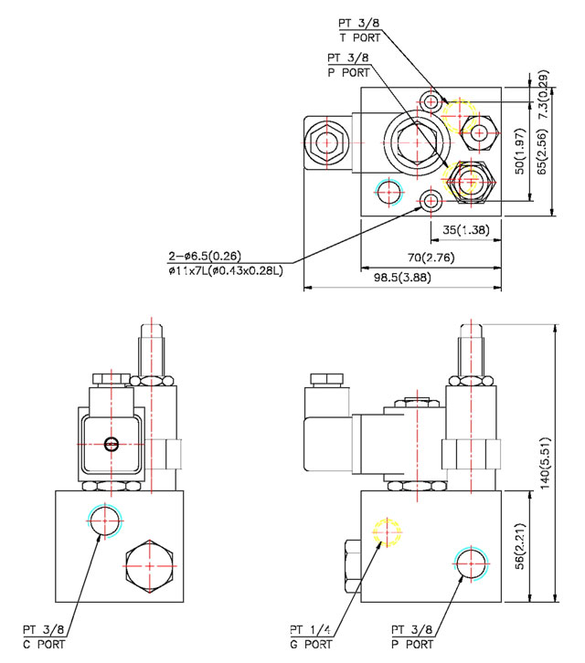
LIFT VALVE
FEATURES
• It provides four functions in one
integrated body-system relief, check, flow control and solenoid
operated directional control feature which is particularly
needed by whoever builds hydraulic lifters or uses single acting
cylinder for hydraulic control mechanism.
|
|
 |
|
 |
|
|