|
||||||||||
|
Model Code - top ![]() |
|
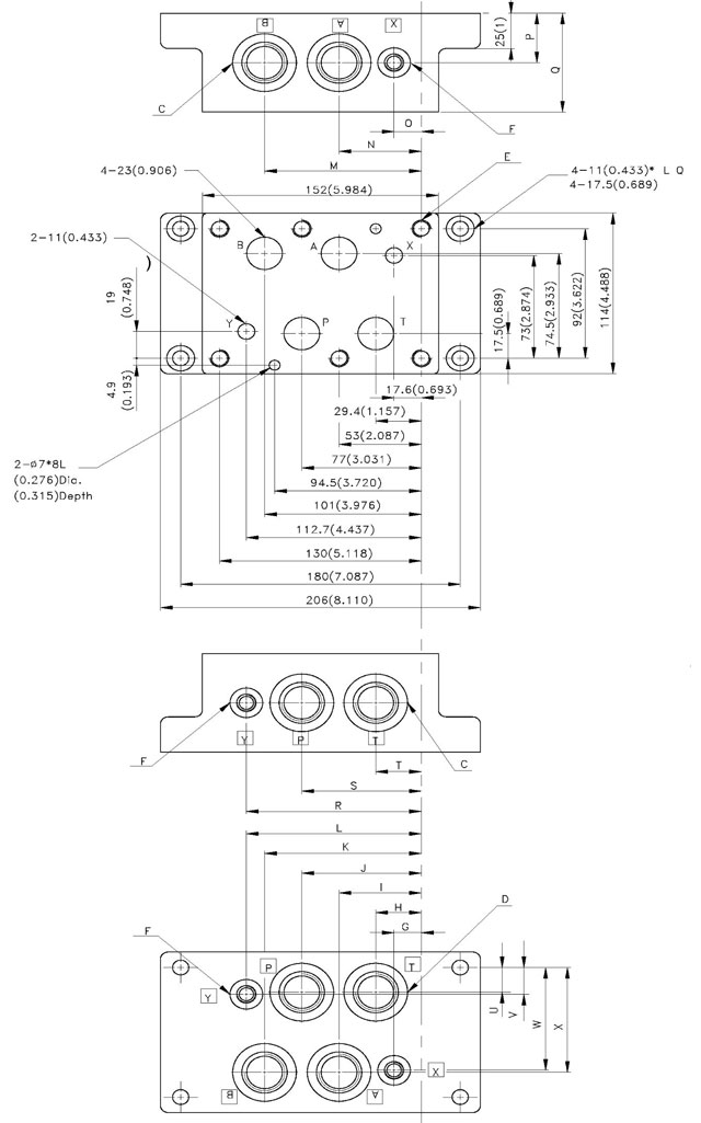
Dimensions - top M06 - ** - B - * |
|
![]() |
|
| MODEL | PORT SIZE & INSTALLATION DIMENSIONS | ||||||||||||||||||
| C | D | E | F | ||||||||||||||||
| M06-06 | - S | -2 | 3/4"NPT | - | 1/2"-13UNC-2B | 1/4" NPT | |||||||||||||
| -3 | 1-1/16 - 12 SAE | - | 1/2"-13UNC-2B | 7/16 - 20 SAE | |||||||||||||||
| - B | -2 | - | 3/4"NPT | 1/2"-13UNC-2B | 1/4"NPT | ||||||||||||||
| -3 | - | 1-1/16 - 12 SAE | 1/2"-13UNC-2B | 7/16 - 20 SAE | |||||||||||||||
| - SB | -2 | 3/4"NPT | 3/4"NPT | 1/2"-13UNC-2B | 1/4" NPT | ||||||||||||||
| -3 | 1-1/16 - 12 SAE | 1-1/16 - 12 SAE | 1/2"-13UNC-2B | 7/16 - 20 SAE | |||||||||||||||
| MODEL | INSTALLATION DIMENSIONS | ||||||||||||||||||
| G | H | I | J | K | L | M | N | O | P | Q | R | S | T | U | V | W | X | ||
| M06-06 | - S | 101 | 53 | 17.6 | 35 | 70 | 112.7 | 77 | 29.4 | ||||||||||
| - | - | - | - | - | - | (3.98) | (2.09) | (0.69) | (1.38) | (2.76) | (4.44) | (3.03) | (1.16) | - | - | - | - | ||
| - B | 17.6 (0.69) | 29.4 (1.16) | 53 (2.09) | 77 (3.03) | 101 (3.98) | 112.7 (4.44) | - | - | - | - | - | - | - | - | 17.5 (0.69) | 19 (0.75) | 73 (2.87) | 74.5 (2.93) | |
| - SB | 17.6 (0.69) | 29.4 (1.16) | 53 (2.09) | 77 (3.03) | 101 (3.98) | 112.7 (4.44) | 101 (3.98) | 53 (2.09) | 17.6 (0.69) | 35 (1.38) | 70 (2.76) | 112.7 (4.44) | 77 (3.03) | 29.4 (1.16) | 17.5 (0.69) | 19 (0.75) | 73 (2.87) | 74.5 (2.93) | |
|
|
|||||||||||||||||||
| MODEL | PORT SIZE & INSTALLATION DIMENSIONS | ||||||||||||||||||
| C | D | E | F | ||||||||||||||||
| M06-08 | - S | -2 | 1" NPT | - | 1/2"-13UNC-2B | 1/4" NPT | |||||||||||||
| -3 | 1-5/16 - 12 SAE | - | 1/2"-13UNC-2B | 7/16 - 20 SAE | |||||||||||||||
| - B | -2 | - | 1" NPT | 1/2"-13UNC-2B | 1/4"NPT | ||||||||||||||
| -3 | - | 1-5/16 - 12 SAE | 1/2"-13UNC-2B | 7/16 - 20 SAE | |||||||||||||||
| - SB | -2 | 1" NPT | 1" NPT | 1/2"-13UNC-2B | 1/4" NPT | ||||||||||||||
| -3 | 1-5/16 - 12 SAE | 1-5/16 - 12 SAE | 1/2"-13UNC-2B | 7/16 - 20 SAE | |||||||||||||||
| MODEL | INSTALLATION DIMENSIONS | ||||||||||||||||||
| G | H | I | J | K | L | M | N | O | P | Q | R | S | T | U | V | W | X | ||
| M06-08 | - S | 106 | 53 | 17.6 | 35 | 70 | 112.7 | 77 | 24.4 | ||||||||||
| - | - | - | - | - | (4.17) | (2.09) | (0.69) | (1.38) | (2.76) | (4.44) | (3.03) | (0.96) | - | - | - | - | |||
| - B | 17.6 (0.69) | 24.4 (0.691) | 53 (2.09) | 77 (3.03) | 101 (3.98) | 112.7 (4.44) | - | - | - | - | - | - | - | - | 17.5 (0.69) | 19 (0.75) | 73 (2.87) | 74.5 (2.93) | |
| - SB | 17.6 | 24.4 | 53 | 77 | 101 | 112.7 | 106 | 53 | 6 | 35 | 70 | 7 | 77 | 4 | 17.5 | 19 | 73 | 74.5 | |
| (0.69) | (0.96) | (2.09) | (3.03) | (3.98) | (4.44) | (4.17) | (2.09) | (0.69) | (1.38) | (2.76) | (4.44) | (3.03) | (0.96) | (0.69) | (0.75) | (2.87) | (2.93) | ||
|
|
|||||||||||||||||||
| MODEL | PORT SIZE & INSTALLATION DIMENSIONS | ||||||||||||||||||
| C | D | E | F | ||||||||||||||||
| M06-10 | - S | -2 | 1-1/4" NPT | - | 1/2"-13UNC-2B | 1/4" NPT | |||||||||||||
| -3 | 1-5/8 - 12 SAE | - | 1/2"-13UNC-2B | 7/16 - 20 SAE | |||||||||||||||
| - B | -2 | - | 1-1/4" NPT | 1/2"-13UNC-2B | 1/4"NPT | ||||||||||||||
| -3 | - | 1-5/8 - 12 SAE | 1/2"-13UNC-2B | 7/16 - 20 SAE | |||||||||||||||
| - SB | -2 | 1-1/4" NPT | 1-1/4" NPT | 1/2"-13UNC-2B | 1/4" NPT | ||||||||||||||
| -3 | 1-5/8 - 12 SAE | 1-5/8 - 12 SAE | 1/2"-13UNC-2B | 7/16 - 20 SAE | |||||||||||||||
| MODEL | INSTALLATION DIMENSIONS | ||||||||||||||||||
| G | H | I | J | K | L | M | N | O | P | Q | R | S | T | U | V | W | X | ||
| M06-10 | - S | - | - | - | - | - | - | 106 (4.17) | 48 (1.89) | 85 (0.34) | 45 (1.77) | 90 (3.54) | 121.5 (4.78) | 82 (3.23) | 24.4 (0.96) | - | - | - | - |
| - B | 85 (0.34) | 24.4 (0.96) | 48 (1.89) | 82 (3.23) | 106 (4.17) | 121.5 (4.78) | - | - | - | - | - | - | - | - | 17.5 (0.69) | 19 (0.75) | 73 (2.87) | 74.5 (2.93) | |
| - SB | 85 (0.34) | 24.4 (0.96) | 48 (1.89) | 82 (3.23) | 106 (4.17) | 121.5 (4.78) | 106 (4.17) | 48 (1.89) | 85 (0.34) | 45 (1.77) | 90 (3.54) | 121.5 (4.78) | 82 (3.23) | 24.4 (0.96) | 17.5 (0.69) | 19 (0.75) | 73 (2.87) | 74.5 (2.93) | |