|
||||||||||
|
Model Code - top ![]() |

| MODEL | MAX. | PRESSURE ADJUSTING | MAX. | |
| MOUNTING BOLTS | ||||
| PRESSURE | RANGE | FLOW | ||
| BAR(PSI) | BAR(PSI) | LPM(GPM) | METER(INCH) | |
| PRV-*03 | ||||
| PRCV-*03 | 1:7-69(100-1000) | 50(13.2) | M10x70(3/8"x2-3/4") 4PCS | |
| PRV-*06 | ||||
| PRCV-*06 | 207(3000) | 2:35-138(500-2000) | 125(33) | M10x80(3/8"x3-1/4") 4PCS |
| PRV-*10 | ||||
| PRCV-*10 | 3:7-207(1000-3000) | 250(66) | M10x90(3/8"x3-1/2") 6PCS |

| Dimensions - top | UNIT: mm(inch) |

| MODEL | A | B | C | D | E | F | G | H | J | WEIGHT | |
| KGS | LBS | ||||||||||
| PRV-G03 | 164 (6.46) | 42 (1.65) | 89 (3.23) | 44.5 (1.75) | 67 (2.64) | 155.5 (6.12) | 92.4 (3.64) | 40.6 (1.60) | 35 (1.38) | 4.5 | 10.1 |
| PRV-G06 | 165.8 (6.53) | 42 (1.65) | 100 (3.94) | 50 (1.97) | 74 (2.91) | 182 (7.17) | 111 (4.37) | 40 (1.57) | 48 (1.89) | 6.8 | 15.2 |

| Dimensions - top | UNIT: mm(inch) |
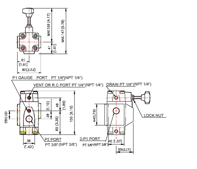
PRCV-G03/06

| MODEL | A | B | C | D | E | F | G | H | J | WEIGHT | |
| KGS | LBS | ||||||||||
| PRCV-G03 | 164 (6.46) | 61 (2.40) | 90 (3.54) | 45 (1.77) | 88 (3.46) | 155 (6.10) | 92.4 (3.64) | 45 (1.77) | 34.9 (1.37) | 5.2 | 11.45 |
| PRCV-G06 | 164 (6.46) | 70.5 (2.78) | 104 (4.09) | 52 (2.05) | 109 (4.29) | 182 (7.17) | 111 (4.37) | 40 (1.57) | 48 (1.89) | 8.3 | 18.28 |
| PRCV-G10 | 166 (4.57) | 79 (3.11) | 119 (4.69) | 59.5 (2.34) | 132 (5.20) | 216 (8.50) | 146 (5.75) | 42 (1.65) | 63 (2.48) | 18.5 | 40.78 |
| Dimensions - top | UNIT: mm(inch) |
PRV-T03

![]()
PRV-T06/10

| MODEL | A | B | C | D | E | F | G | H | K | N | P | WEIGHT | |
| KGS | LBS | ||||||||||||
| PRV-T06 | 94.8 (3.73) | 47.4 (1.87) | 150 (5.90) | 42 (1.65) | 179 (7.06) | 97 (3.83) | 53.5 (2.11) | 33 (1.30) | 39 (1.54) | 62 (2.44) | M19 (3/4") | 6.0 | 13.2 |
| PRV-T10 | 132 (5.20) | 66 (2.60) | 167 (6.57) | 52 (2.05) | 216 (8.50) | 124 (4.88) | 64 (2.52) | 40 (1.57) | 50 (1.97) | 79 (3.11) | M32 (1-1/4") | 12.0 | 26.45 |
![]()
| Dimensions - top | UNIT: mm(inch) |
PRCV-T03

![]()
| Dimensions - top | UNIT: mm(inch) |
PRCV-T06/T10

| MODEL | A | B | C | D | E | F | G | H | J | K | N | P | WEIGHT | |
| KGS | LBS | |||||||||||||
| PRCV-T06 | 94 (3.70) | 48 (1.89) | 150 (5.90) | 42 (1.65) | 179 (7.06) | 97.5 (3.84) | 44.5 (1.75) | 42 (1.66) | 9 (0.35) | 66 (2.60) | 62 (2.44) | M19 (3/4") | 7.8 | 17.1 |
| PRCV-T10 | 137 (5.40) | 68.5 (2.70) | 167 (6.57) | 52 (2.05) | 216 (8.50) | 124 (4.88) | 52 (2.04) | 52 (2.04) | 12 (0.47) | 84 (3.31) | 79 (3.11) | M32 (1-1/4") | 14.4 | 31.7 |