 |
|
 |
| |
MODULAR
PRESSURE REDUCING
VALVE
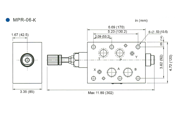
MPR-06 SERIES
The modular adjustable pressure
reducing valve will ensure that the operating pressure in a
branch of a hydraulic system will be maintained at a lower
setting than that of the main system pressure. The valve
functions on the P port and is internally drained. Adjustment is
made with a calibrated knob, standard with the valve.
As a modular valve, this valve mounts between an NFPA D08 size
directional control valve and the subplate. A longer than
standard bolt kit is required when mounting modular valves in a
stack. Refer to bolt kits.
|
|
 |
|
 |
|
|